RYS138

Reflection 
Transmission 
Yarn cutter 
Agency 

 

Reflection type

WYS124C 
RYS138 
RYS139 
RYS145(Prototype) 

 

 

RYS138

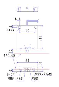
This sensor is a reflection type non contact sensor which has developed for the yarn breakage detection of a detection target which is a line of yarn running linearly.

For horaizonatal installation to a yarn.

 

RYS138-□□

rys138z.png
rys138.png

Movement image figure

 

Features

This product is a complete non contact type which does not directly contact with the detection target, therefore it is a yarn breakage detection system with high reliability without damaging a yarn.

The structure is simple even for multi spindle because this sensor is a reflection type.

This product hardly malfunctions due to vibration or impact.

This product has designed for horizontal installation to a yarn.

 

Functions

Red LED

Output signal condition display

Green LED

Yarn detection signal condition display

Lighted

Without yarn

Lighted

With yarn detection signal

Extinction

With yarn

Extinction

Without yarn detection signal

 

Ratings

Power supply voltage

12V-24V DC Fluctuation: within ±10%

Allowable ripple(p-p): 0.1V or less

Consumption current

48mA or less

Detection yarn

1;White yarn 7 denier or more (bright) Detection distance 10mm

2;Black yarn 20 denier or more          Detection distance 10mm

Yarn traveling speed

500 M/min or more

Response speed

Approx. 0.4 sec

Output capacity

NPN open collector   *(with PNP specification)

Load voltage 30V DC or less

Load current 100mA or less

ON voltage 1V or less (ON when there is no yarn)

Overvoltage protection feature 30V-43V DC

Overcurrent protection feature Approx. 120mA

[前のページ][上位ページ][次のページ]

Copyright (c) 2005,2021ODAWARA INDUSTRY Co.,Ltd. All rights reserved.

odawara@odawara-industry.co.jp